- Dapatkan link
- X
- Aplikasi Lainnya
[16+] Haynes Toyota Avensis Repair , 2015 Zafira Haynes Manual | Repair Manuals, Auto Repair, Repair
- Dapatkan link
- X
- Aplikasi Lainnya
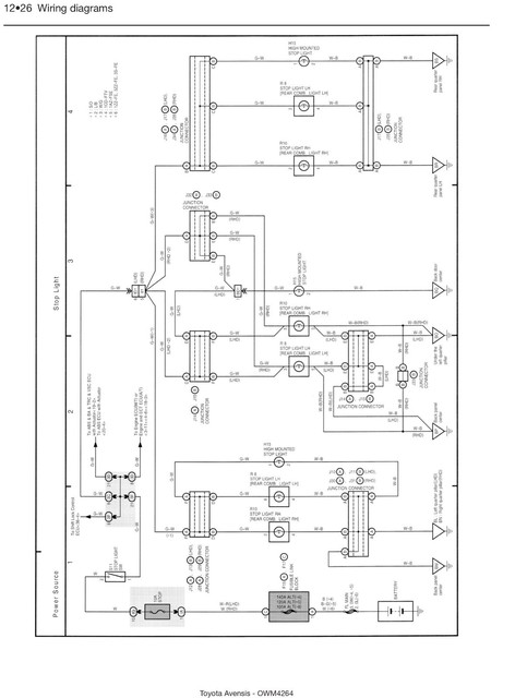
Haynes Toyota Avensis Repair Manual Toyota Avensis Repair Manual Pdf
Avensis toyota d4d manual pdf service cars automobiles luxury automobile indo concept. Avensis haynes. Toyota avensis repair manual (8/2007) ~ service & spare parts catalog
haynes toyota avensis repair manual
Download PDF
If you are {looking for|searching about} Toyota hiace 1995 owners manual - Canadian guidelines User Tutorials you've {came|visit} to the right {place|web|page}. We have 16 {Pics|Pictures|Images} about Toyota hiace 1995 owners manual - Canadian guidelines User Tutorials like Camry Aurion Service Manual, Haynes TOYOTA AVENSIS Manual 1998-jan 2003 R-52 Petrol Number 4264 for and also Haynes TOYOTA AVENSIS Manual 1998-jan 2003 R-52 Petrol Number 4264 for. {Read more|Here you go|Here it is}:
- Dapatkan link
- X
- Aplikasi Lainnya












Komentar
Posting Komentar